-
Пишите в подпись или в календарь варок, какое пиво у вас сейчас готовится, так легче дать четкий ответ или совет.Скрыть объявление
-
Если Вам нравится наш сайт, форум и интернет-магазин, пожалуйста, поделитесь ссылкой в соц сетях и в соц закладках. Тем самым нас станет больше :) Спасибо!Скрыть объявление
-
Любое общение, которое не по-теме ПРОШУ переносить в чат.Скрыть объявление
-
При приеме пива у мужчин выделяется гормон дофамин, отвечающий за чувство удовлетворения. При этом удовольствие вызывает только вкус пива, независимо от того, любит ли мужчина напитки этой марки, и даже при отсутствии алкоголя.Скрыть объявление
-
Пиво богато антиоксидантами, которые приходят из хмеля и солода, из которых оно состоит. Эти антиоксиданты предотвратят рак.Скрыть объявление
-
Пиво содержит витамин В, который помогает нам поддерживать здоровую кожу, нужный мышечный тонус, борется с заболеваниями сердечно-сосудистой и иммунной системы.Скрыть объявление
-
Кофе оказывает воздействие на преждевременное старение человека и способствует развитию онкозаболеваний. Пиво же наоборот защищает ДНК.Скрыть объявление
-
Пиво может оказать положительное действие при сердечно-сосудистых заболеваниях и служить средством их профилактикиСкрыть объявление
-
В случае, если Вы не знаете в какую тему форума обратится с конкретным вопросом - просьба уточнить в чате этот момент, Вам будут предложены подходящие разделы, в которых Вы сможете задать свой вопрос, либо найти ответ на него, если такой вопрос уже поднимался на обсуждение.Скрыть объявление
-
Уважаемые пивовары, при прочтении информации на форуме (оставленной другими форумчанами) с давними датами, просьба не принимать советы, как четкую инструкцию, т.к. описывается чей-то личный опыт, и зачастую эти пивовары в дальнейшем осознав неверность таких методов делают все по другом. Так что принимайте это просто, как информацию, как повествование о чужом опыте, и в случае необходимости переспрашивайте!Скрыть объявление
-
Уважаемы пивовары и модераторы форума! При создании темы, убедительная просьба добавлять Ключевые слова. Данная функция позволяет новичкам форума быстро находить нужную информацию по Облаку тэгов справа. Просьба к модераторам форума, так же помочь и по возможности прописать в существующих темах ключевые слова внизу страницы. Спасибо! С уважением, администрация форума.Скрыть объявление
-
УБЕДИТЕЛЬНАЯ ПРОСЬБА!!! Покинуть личные переписки, которые не актуальные для вас и не имеют информационной ценности! СПАСИБОСкрыть объявление
Скрыть объявление
C 10.09.2016 на форуме стали платными следующие разделы:
Оборудование для пивоварения, Делаем пиво по рецептам
Подробнее, почему так произошло, можно прочитать здесь...
Скрыть объявление
Набираем модераторов, которые хотят принять участие в развитии форума и сделать его более интересным и информативным.
Основные требования к претендентам - регистрация на форуме более 1 года, сообщений не менее 400.
Основные функции модератора - чистка флуда и рекламы, перенос сообщений или тем в соответствии с разделами форума, слежение за правилами разделов.
Дополнительные - развитие и оптимизация функционала форума, добавление интересного материала из вне форума.
Преимущества - VIP статус, помощь в деле, которое вам не без различно, скидка в магазине ингредиентов 5%.
Заявки можно оставлять здесь.
Просматривает записи блогов в категории: Микропивоварня
-
Дело было вечером, делать было нечего!
Именно так все и начиналось. Взгляд упал на регулятор мощности и я понял, чего-то тут точно не хватает. Немного подумав понял - вентиляционных отверстий!
Как раз под рукой была новенькая дрель и сверла, быстренько разобрал и насверлил отверстий, хотя если честно они особо и не нужны были, радиатор с управляемым кулером и так больше 40С не нагревался, а теперь блок стал совсем бесшумным, кулер стал совсем еле-еле крутиться!
Фотки сделал до наведения порядка в корпусе, провода уложил, пайки перепаял покрасивше, более мощным паяльником. Тем самым освободил немного места для чего-то еще, может термостат запихну, или радио - пусть песенки поет, пока я варю
Пока сам не знаю что мне еще нужно!
![[IMG]](http://s019.radikal.ru/i628/1507/42/ba49ccaa6485t.jpg)
То, что в синей термоусадке находится - это регулятор оборотов кулера в зависимости от температуры радиатора. Сам датчик расположен между пластинами радиатора.nanobeer нравится это. -
Наконец-то добрался и до заторника, установил капитально кран. Конечно понимаю, что ничего сверхестественного в этом нет, но все же

Фильтр-система вставляется в сгон, шланг на штуцере позволяет это сделать внатяг, с усилием небольшим.
![[IMG]](http://s014.radikal.ru/i329/1506/d2/826c88211289t.jpg)
Сама фильтр-система прекрасно промывается накрученым душевым шлангом, навернул, включил воду, потрес систему чтобы вся шелуха из нее повылетала и оставил на минут пять под напором.
-
Наконец-то доделал и привел к более-менее уподобаемому виду. Осталось по бокам вентиляционных отверстий чуток насверлить и может подсветку в индикатор сделаю.
Схемы все были выше опубликованы. Кулер обдува радиатора прицепил через мальнький регулятор оборотов, который когда-то (много лет назад) выдрал из компового блока питания. Там суть такая, что датчик температуры крепится к радиатору, и если радиатор холодный - кулер еле крутиться, чем горячее радиатор, тем больше обороты кулера, ну и следовательно охлаждение сильнее.
Все просто до безобразия
-
Приехали детальки. Если на этих выходных варю пиво, то на следующей неделе поеду варить бачек!
Айм Хеппи!
-
Микроварню немного "обкатал" в деле. Решение с ТЭНом было верным, на ТЭН ничего не пригорает, регулятором можно выставить любую мощность, подбором я наловчился к примеру поддерживать стабильную температуру в баке промывочной воды - довольно удобно.
В ближайшее время регулятор будет оборудован стрелочным индикатором мощности/напряжения.
Своего рода винтаж и ностальгия, циферки и так везде, а тут будет стрелочка
Модернизации подвергнется и сам варочник, он станет более "серьезным".
Будет вварен сгон под кран, вварена втулка (или как там ее) под термометр, заменен кран на нержавейку.
Заказал с АЛИ следующие товары:
![[IMG]](http://s020.radikal.ru/i711/1503/93/23a02d07dba2t.jpg)
Ссылки на продавцов: http://ru.aliexpress.com/store/927505 и http://ru.aliexpress.com/store/1171008
Тут очень интересное дело. Хотел изначально заказывать все тоже самое у продавцов из разряда "Home Brewer", подобрал все, выбрал продавцов понадежнее и случайно "забрел" в магазин из разряда "водопровод" или типа "все для дома". Вот тут удивился, у продавцов "водопроводчиков" те-же товары стоят в 2 - 2,5 раза дешевле! Посмотрю еще что надо, да закажу и на заторник нержавейку, кран и сгон.
Пока ждем посылку, с аргонщиками уже разговаривал, готовы сделать, а раз это еще и для варки пива, за пару бутылочек домашнего обещали "почти бесплатно" сделать
-
Сегодня забрал заторник/термоконтейнер - доволен как слон

Небольшая фотосессия.
![[IMG]](http://s017.radikal.ru/i425/1502/f1/3fa2e63ce79at.jpg)
Контейнер как будто создан для того, чтобы быть заторником
Сток для отвода конденсата, который прекрасно снимается. Готовое отверстие прямо как будто под врезку на 1/2 сделано.
Пластик довольно жесткий, хороший, не колкий. Внутренняя поверхность как будто отполирована, от кухонной жесткой губки (не железной) следов не остается.
Планирую слив заменить на латунный, стандартный 1/2, кран будет скручиваться, а отверстие глушиться заглушкой. Фильтр-система будет все из той-же сильфонной подводки из нержавейки, она показала себя с лучшей стороны. Проскакивало на форуме про ее низкую эффективность, мол не более 72% - неправда, у меня еще ни разу не получалось получить значение ниже 78%, может руки кривые?!
Таким образом летом, я надеюсь в этом году оно будет у нас в Зауралье, контейнер будет использоваться по прямому назначению.
Чуть не забыл про объем - 30 литров. Я ориентировался по своему бачку затирочному из нержавейки, он 35 литров по кромке, больше чем 25 литров в нем я еще ни разу не занимал объема, так-что на мои объемы хватит.
Если звезды раком не встанут, то на следующих выходных опробую его в деле.viking и EtS-Ukraine нравится это. -
Ходя вокруг да около, все-таки стал приходить к "классической" конфигурации варочного порядка.
Склоняюсь все-же к "трем бачкам".
Водогрейник/варочник был описан в этой ветке блога, он останется без изменений.
В качестве заторника хочу купить вот такой термоконтейнер: Арктика 2000-30
http://www.rbt.ru/cat/aktivnyy_otdyh/termosumki/arktika_2000-30_izotermicheskiy_konteyner/
Контейнер понравился качеством пластика, ценой, наличием системы слива конденсата.
Можно будет использовать его и по прямому назначению.
Промежуточная емкость собственно сам ферментер.
Последние две варки прошли почти в такой конфигурации - Зауральское хмельное варил как говориться "без напрягов".nanobeer нравится это. -
Дошли руки врезать кран в бачек.
После мудоханий с напильником не очень-то хотелось вновь это все проделывать. Но тут у товарища приметил такое сверлышко![[IMG]](http://s013.radikal.ru/i323/1501/1d/6b852480ec3bt.jpg)
Часто писали камрады-пивовары, что подобные сверла и одно отверстие не выживают, но тут ситуация немного другая. Используя масло для охлаждения места сверления, небольшие обороты дрели все прошло "как по маслу", пара минут и кран врезан!
Прокладки из магазина, типа силикон, конечно потекли сразу, выручила снова фум-лента.
![[IMG]](http://s020.radikal.ru/i722/1501/8b/b3e72acd1cd9t.jpg)
Сделал заборник сусла со дна, на варку этот "хвостик" просто скручивается и все.
Попутно утеплил бак. Использовал изолон 10мм и алюминиевый скоч.
![[IMG]](http://s015.radikal.ru/i332/1501/56/3f399537aaf3t.jpg)
Ранее меня спрашивали про термометр, покупал вот такой, типа немец!
-
В прошедшую субботу провел варку на "недопивоварне". Дело в том, что пока не все доделано, нет фальшдна, крана для слива сусла, насоса и барботажной руки. Но при конфигурации "три бачка" процесс прошел уже гораздо спокойнее и немного быстрее.
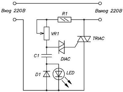
Прежде всего сам регулятор мощности, схемы были ранее. Симистор на 41А, что с лихвой перекрывает мои потребности. Радиатор использовал "что под рукой валялось" - от какого-то процессора. В принципе нагрев нормальный, но я не люблю горячую электронику, поэтому пристроил "штатный" куллер. Выковырял из какого-то зарядника, кучу лет валявшегося в коробке со всяким радиохламом, поднял напругу до 10-12В и встроил в корпус вместе с регулятором. В дальнейшем он запитает еще и электронику управления нагревом и насосом.
![[IMG]](http://s014.radikal.ru/i329/1501/f1/4ebf9073c89et.jpg)
Лицевую панель не стал делать, т.к. в дальнейшем она изменится, главное сейчас было погонять регулятор - он показал себя довольно хорошо!
Утепленный бак нагревает воду на 2-2,5 градуса в минуту. На промывке удобно поддерживать одну температуру воды, регулятором подобрал положение и все.
![[IMG]](http://s017.radikal.ru/i426/1501/4f/9e794a095e65t.jpg)
Сусло закипело еще быстрее, тут меня ждал сюрприз! Раньше на плите я не мог видеть такого эффекта, т.к. мощность нагрева была небольшая. Сначала образовался слой пены со всякой грязью в ней, я аккуратно снял все ложкой и стал ждать закипания полного, чувствовалось что "уже близко".
Решил отвешать хмеля и краем глаза успел зафиксировать "пенный армагеддон"! Выглядело это как закипание молока - резко и обильно. Тут пришлось дуть на пену, мешать активно сусло и убавлять мощность на регуляторе, и все это в считанные секунды!
На ТЭН ничего не пригорело, только после слива сусла на него осела часть белка и почему-то очень быстро закрепилась на новом месте. Но губкой все быстро смылось.
Вот пока как-то так.
Позже начну небольшой отчетец по варке. -
Наконец-то удалось загерметить гильзу термометра. В силу конструктивной особенности гильзы сделать это было не просто. Силиконовые прокладки положение не спасали, удалось побороть течь фум-лентой.
Удалось провести тест нагрева. Получилось что 35 литров воды (мой варочный об'ем) нагреваются со скоростью 1,5 градуса в минуту-думаю неплохо.
Начну молоть солод на варку, буду пшеничку варить. -
Немного забегая вперед хочу показать/послушать критику, что я хочу собрать.
Это будет заторник-сусловарник с фальшдном и подобием барботажной руки. Будет реализован контроль нагрева и работы насоса на Ардуине. В основе программа с клонов Брау (Open ArdBir) с корректировкой алгоритма работы под свои реалии.
Вложения:
-
Немного позанимался с бачком. Врезал ТЭН и термометр, на кран силенок не хватило.
Дело в том, что самое большое сверло у меня на 8, а далее работаю напильником круглым.
По врезке, тут особо ничего особенного. Сверлю сначала отверстие маленьким сверлом, потом средним и самым большим. Тут главное небольшие обороты и смачивание места сверления маслом машинным.
Нержавейка очень вязкий металл и перегревает сверло на раз, поэтому не стоит тупо давить на гашетку дрели - только перегреете и выкинете сверло! Ну а после очерчиваем окружность по офицерской линейке (самый раз есть кружок на 1/2) и дорабатываем напильником.
Тэн немного подогнул, чтобы "вписался" в изгибы бачка, тут все хорошо получилось, а вот с термометром немного засада вышла - подтекает зараза. Уже вечером сходил в гараж за ключами на 22-24, попробую еще протянуть, если нет, то прийдется силикон покупать и что-то придумывать.
Кран уже врезать не успевал, домашние и так от визга напильника готовы были меня самого в бачек этот закатать
Собственно это будет универсальное устройство, отолью прокладку под крышку и сделаю прижим - вот уже и перегонный куб получается
Пока так, сегодня постараюсь с регулятором разобраться.
Фотки на Радикал продублировал:
Вложения:
-
Шаг Один с половиной

И так, продолжим.
Теперь хочу представить мое видение в дальнейшем развитии пивоварни.
Во первых мне нужно решить вопрос по нагреву и кипячению. Газ в этом случае мне не помощник, т.к. доступная конфорка слабовата. Решено ставить ТЭН. ТЭН я искал долго, у нас с таким специфическим товаром мягко говоря трудно, было даже так, что в довольно крупной сети магазинов с огромным (на первый взгляд) выбором электро и водогрейной продукции, меня пытались убедить, ссылаясь на свой опыт и авторитет, что ТЭНов из нержавейки просто в природе не существует! Но все-таки ТЭН подходящий был найден. В один магазинчик случайно завезли несколько нержевых нагревателей, они "улетели" только в путь, теперь у них постоянно есть небольшой выбор подобных ТЭНов.
Нагреватель выбран на 3 кВт, включаться он будет через несложный регулятор мощности на симисторе.
Данная схема довольно известна, простая и надежная, а главное полностью рабочая. По данной схеме я собирал уже почти с десяток регуляторов, различной мощности и области применения, к примеру на модельной микроциркулярке подобный стоит.
Симистор выбран на 40 ампер 600 вольт, что позволяет сделать регулятор мощностью до 6-9 кВт! Но мне нужно только 3 - хорошо, симистор будет гораздо меньше греться!
На данном этапе, к Новогодней варке, бак будет оборудован краном, термометром и ТЭНом с регулятором.
Если успею подготовить фальш-дно, то буду с ним варить, если нет, то для подстраховки есть старая фильтр-система, в предыдущей записи она показана. Единственное, что теперь на выходе у нее есть возможность прикрутить кран, для более удобной регулировки скорости фильтрации.
На очереди поиски подходящего насоса, для перекачки сусла. С его покупкой продолжиться работа по модернизации системы.
В следующей записи я постараюсь описать планируемые этапы и варианты развития системы дальше.
Вложения:
buzskiy и EtS-Ukraine нравится это. -
Привет камрадам-пивоварам, и в первую очередь Здравствуйте милые дамы-пивовары!
Решил открыть свой небольшой блог, основная направленность которого (на данный момент мне так видится) - это постепенное создание своей домашней микропивоварни.
Почему микро, да потому, что мини считается от 100-150 литров, а я "стою" на шаге варки 30 литров готового сусла (27 в бродильник, 3 на шпайзе). Конечно это усредненные цифры, но все крутится вокруг них.
Блог получится "долгоиграющим", т.к. сразу вложиться в постройку не могу. Поэтому надеюсь с вашей помощью поэтапно создать микропивоварню-полуавтомат.
Почему я не буду строить очередной клон Браумастера - все просто, объемы и размеры моих бачков не позволяют варить в среднем более 18-20 литров готового сусла. При таком раскладе, считаю нецелесообразным вкладывать в аппарат 15-20 килорублей и иметь столь небольшой выход!
Конечно вы скажете, что можно хоть каждый день варить, отвечу - конечно можно, но нет возможности!
В то-же самое время хочется и упростить процесс варки и оставить производительность на прежнем уровне.
Исходя из вышесказанного и моих запросов, пока формирую исходные данные.
Итак Первый этап - начальный!
Что я сейчас имею в наличии и как варю пиво.
Варочный-заторный бак - 48 литров, второй бачек, в основном для нагрева воды на затирание и промывку - 40 литров.
Фильтр-система из сильфонной нерж. трубки с патрубком медным для фильтрации "через верх".
Бродилки - два классических ведра 32 литра, в одном из которых врезан кран, и я больше его использовал в последнее время как разливочник.
За последние почти два года сопутствующим оборудованием я тоже порядком "оброс", перечислять все думаю смысла нет - все для укупорки-контроля-розлива и т.д.
Все варится на газу, но поскольку спереди у плиты конфорки не самые мощные, то процесс растягивается на многие часы! В последнее время пользовался дополнительно большим кипятильником - гораздо интереснее, но....
Поэтому в ближайшее время расскажу и покажу что я наваял, но это будет уже шаг Второй.
Все нужное уже закуплено, нужно только немного свободного времени.Вложения:
EtS-Ukraine нравится это.











